新聞中心
產品展示
臭氧氧化法脫硝
發布者:朗逸環保 發布時間:2019-5-17
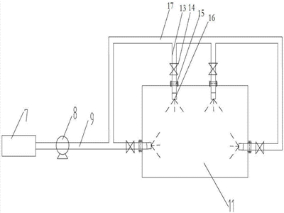
臭氧氧化法脫硝主要是利用臭氧的強氧化性,把不可溶的低價態氮氧化物化為可溶的高價態氮氧化物,然后在洗滌塔內把氮氧化物吸收,從而達到脫除的目的。
脫硝過程是利用氧化性非常強的臭氧氣體把煙氣中一氧化氮轉換成溶于水的NOx,產物在后級脫硫塔中被吸收。因此脫硝過程中不產生直接的副產物。也不需要新建洗滌吸收塔,只需要新建臭氧發生裝置。臭氧脫硝能夠達到百分之九十以上的脫硝效率。
特點:
1. 脫硝效率最該可達百分之九十以上。
2. 能夠適應鍋爐任何負荷。
3. 不需要改造鍋爐,只需要在煙道上合適位置噴入臭氧。
4. 充分利用現有濕法脫硝設施,達到脫硫脫硝一體化。
5. 可以跟SNCR、SCR配合,相互補充,不僅節省運行費用,又能實現任何工況下達標排放。
免責聲明:本網站發表的部分公開資料來源于互聯網,目的在于傳遞更多信息及用于網絡分享,并不代表本站贊同其觀點和對其真實性負責。

